После реконструкции тротуар Советского (Троицкого) моста уменьшится до двух метров. Об этом сообщает ПАИ со ссылкой на данные из проектной документации на сайте Госзакупок.
После реконструкции тротуар Советского (Троицкого) моста уменьшится до двух метров. Об этом сообщает ПАИ со ссылкой на данные из проектной документации на сайте Госзакупок.
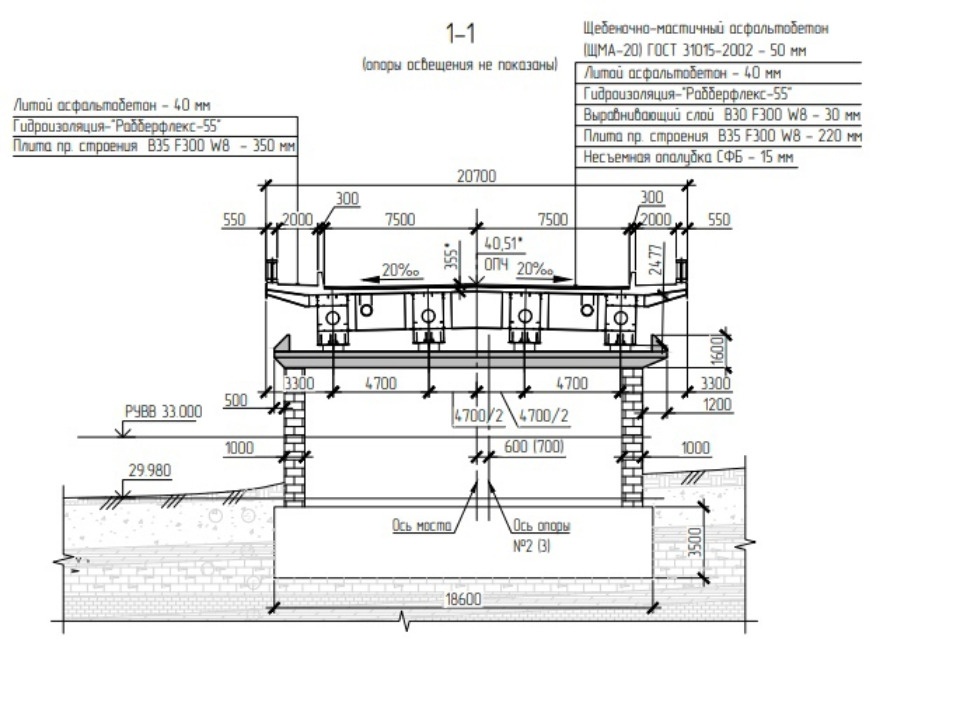
Сейчас ширина тротуара приблизительно 2,85 метра, после реконструкции она может уменьшиться почти на треть – до 2 метров.
Инженер и строитель Николай Мельков сообщает на своей странице «ВКонтакте», что данная ситуация напомнила ему реконструкцию моста 50-летия Октября, когда тротуар уменьшили в пользу автодороги.
«Добрались до Советского (Троицкого) моста, сейчас мост шириной 18,7 метра, а пешеходная часть 2,8 метра. Но в результате реконструкции моста пешеходная часть сократится до 2 метров, а общая ширина увеличится до 20,7 метра. Делается это для того, что бы машинкам стало удобнее ездить, поэтому проезжую часть увеличивают до полноценных четырёх полос – шириной 3,25 м (сейчас согласно схеме ОДД на мосту три полосы)», – написал Николай Мельков.
Работы по реконструкции моста проводятся в рамках туристско-рекреационного кластера «Псковский». Они должны быть окончены до 31 июля 2023 года.

